| AATIS-Wetterstation |
|
|
Letztmalig dran rumgefummelt: 29.06.06 08:47:36 |
|
1. Schaltungstechnische Grundlagen 2. Software |
|
| AATIS im Web |
| 1. Schaltungstechnische Grundlagen |
|
|
|
Die hier vorgestellte Hardware bildet die Verbindung zwischen der an anderer Stelle in diesem Praxisheft vorgestellten Software zum Wetterstationsprojekt der
Schulstation DL0PVD und dessen externen Sensoren.
Die Unzahl an verschiedenen Sensordatenformaten - ein Blick in frühere Ausgaben der Praxishefte zeigt dies deutlich - macht den Einsatz eines Mikrokontrollersystems,
zwischen Sensoren und Rechner, unentbehrlich. Lineare oder nichtlineare Spannungskennlinien, Impulsraten, Tastverhältnisse, Kapazitätsvariationen oder
busorientierte Protokolle seien hier nur als Beispiele erwähnt. All diese verschiedenen „Sprachen" gilt es, in ein standardisiertes Format zu übersetzen, so dass eine
Datenbankgestützte Software darauf aufbauen kann.
Im Jahre 1998 wurde während des AAMS-Bundeskongresses in Goslar ein Lösungsansatz, basierend auf dem Mikrokontroller PCF80C552, vorgestellt. Er wurde auch
auf der UKW-Tagung in Weinheim am AATiS-Stand demonstriert.
Diese Lösung mit einem MCS51-CPU-Derivat schien recht preiswert, war aber technisch schon etwas betagt.
Die zwingend notwendige Ausstattung mit externen Programm- (EPROM) und Datenspeichern (RAM) erforderte entweder eine aufwendige doppelseitige
Platinenausführung mit Durchkontaktierung und entsprechendem Preis oder zahllose Drahtbrücken bei einseitigem Layout.
Da kam es gerade recht, dass der Hersteller Atmel eine neue, sogenannte RISC-Prozessorserie mit dem Kürzel AVR auf den Markt brachte. Diese CPUs zeichnen sich
durch einen integrierten, trotzdem leicht löschbaren Programmspeicher (FLASH-EPROM), sowie Festspeicher (EPROM) aus. Ein passabler, wenn auch noch teurer
Ersatz für die 80C552-Lösung schien speziell der AT-MEGA-Chip mit 128 kB FLASH, 4 kB RAM und 4 kB EPROM zu sein. Ein Hindernis stellte und stellt immer
noch die SMD-Gehäuse-Bauform mit 0,8-mm-Strukturen dar.
Mittlerweile wurde aber die Produktreihe um weitere Exemplare im unteren Leistungs- und Preisbereich erweitert, so dass der Wechsel von MCS51 nach AVR nicht
schwer fiel. Nicht unerwähnt soll bleiben, dass die deutlich modernere CPU-Struktur höhere Leistungen bei gleicher Taktfrequenz verspricht bzw. Energieeinsparung bei
gleicher Leistungsfähigkeit auf Grund verringerter Taktrate - für im Außenbereich betriebene Wetterstationen nicht unwichtig. Somit lassen sich solche
Wetterstationen mit kleinflächigen Solarzellen und kostengünstigen Akkumulatoren betreiben.
Der Wegfall von externen Programm- und Datenspeichern vereinfacht natürlich den Entwurf geeigneter Platinen (und deren Aufbau). Das kann soweit führen,
dass man sich fragt, wozu eigentlich noch eine spezielle Platine entwerfen? Vielleicht genügt ja bereits eine Lochrasterkarte oder Streifenleiterplatine?
Damit war der Weg vorprogrammiert - weg von einer spezifischen Platine für eine Wetterstation, mit all den Unwägbarkeiten zum Anschluss noch unbekannter
Sensoren - hin zu einer universellen Mikroprozessor-Plattform mit maßgeschneiderter Software. Und für den experimentellen Einsatz verschiedener Sensoren sollte ein
frei verfügbarer Lochrasterbereich reserviert sein.
Das Ergebnis ist eine Serie von anwendungsunabhängigen CPU-Platinen, wie sie ähnlich auch im Handel zu bekommen sind - jedoch mit anderen
Mikrocontrollertypen als AVR. Wie auch immer - diese Platinenserie AS53-XX ist die Basis des WX-Stationsprojektes der Schulstation
DL0PVD.
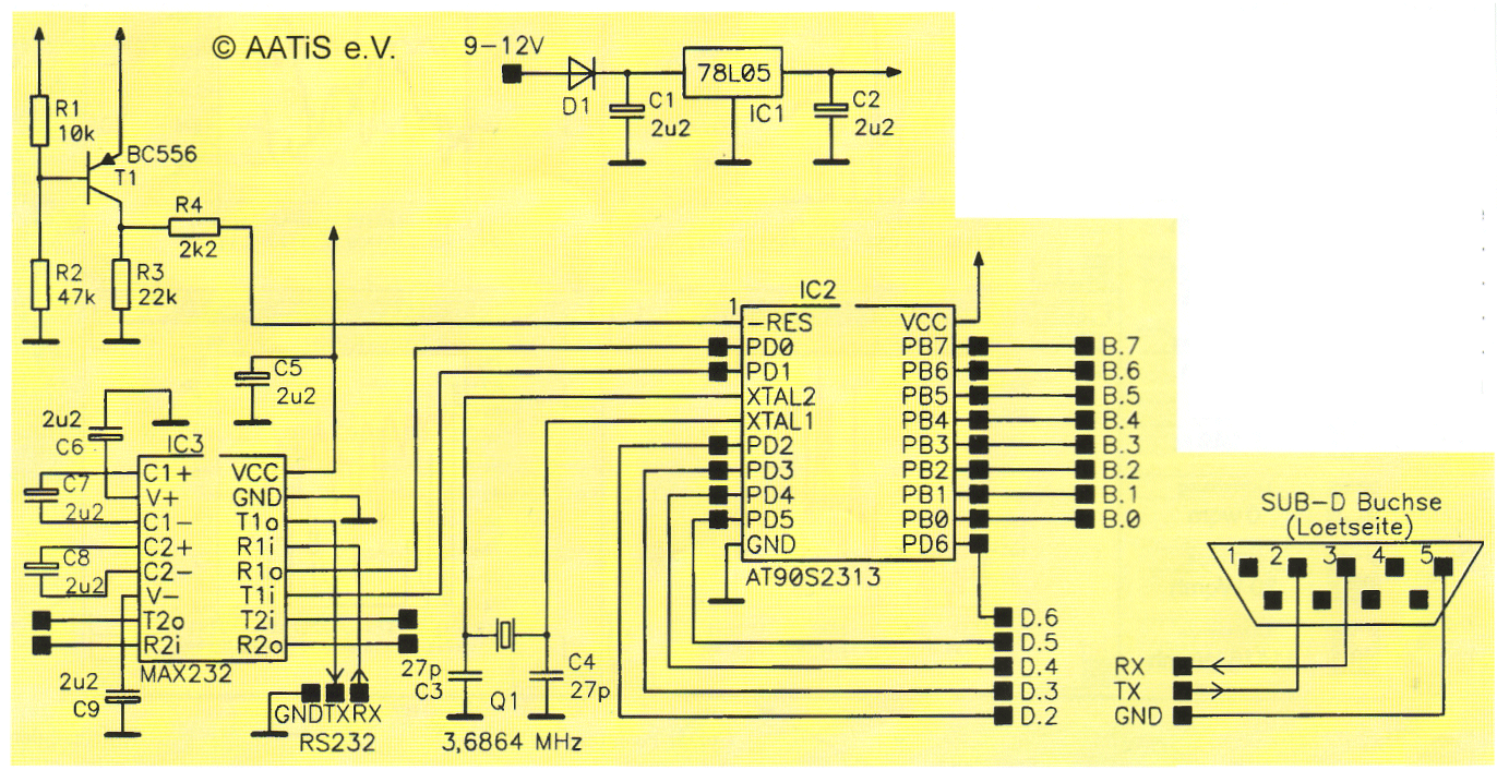
Schaltbild der Platine AS53-01
Abbildung 1 auf dieser Seite zeigt das Schaltbild zur Platine AS53-01; Kernstück bildet dabei die CPU AT90S2313 mit 2 kB Flash, 128 Bytes RAM und 128 Bytes EPROM. Ansonsten enthält die Schaltung nichts Aufregendes - der Schnittstellenbaustein MAX-37 B.7 232 stellt die Verbindung von bzw. zum Rechner her, ein a Spannungsstabilisator 78L05 sorgt für passende 5V Betriebsspannung und der Transistor BC556 mit den ihn umgebenden Widerständen sichert ein zuverlässiges Rücksetzen der CPU beim Ein- oder Ausschalten. Statt der hier abgebildeten CPU kann auch der kleinere Bruder AT90S1200 eingesetzt werden.
Bestückungsplan der Platine AS53-01
Sieht man von den zwei verbliebenen Drahtbrücken unterhalb des CPU-Sockels ab, gibt es auch zum Aufbau der Platine wenig zu schreiben. Es gelten die
allgemein bekannten Regeln. Genauere Hinweise sind auf der CD des AATiS , unter dem Stichwort
AS53 zu finden.
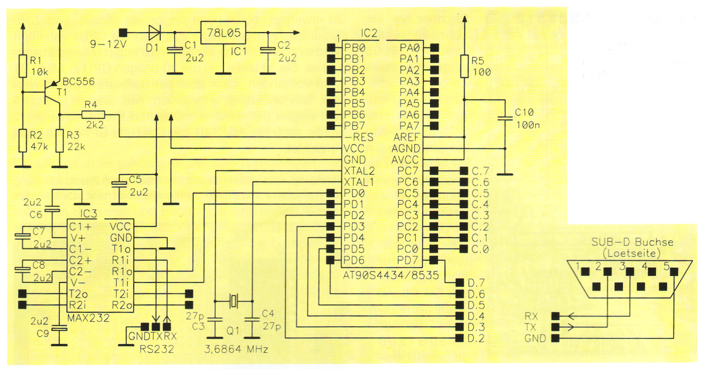
Auf der Platine AS53-03 - Schaltbild siehe nächste Seite oben - findet die 40-polige CPU AT90S8535 Platz. Diese hat, neben 8 kB Flash-Programmspeicher, 512 Bytes
RAM und EPROM, noch acht Kanäle mit 10-Bit Analog-Digital-Wandler integriert. Der kleinere Bruder AT90-S4434 hat, bei gleichen Anschlüssen, jeweils die halben
Kapazitäten, aber auch A/D-Wandler.
Abb.5 (oben) zeigt Layout und Bestückung der Platine AS53-03
Zu erwähnen bleibt noch die zweite serielle, sog. SPI-Schnittstelle, über welche z.B. mehrere CPUs verknüpft werden können - falls die Software entsprechend
ausgelegt ist Sie ist leider bei der 20-poligen CPU in AS53-01 nicht vorhanden, kann aber per Software emuliert
werden, falls unbedingt erforderlich. Aus diesem Grunde - und wegen der darüber möglichen Programmierung - wurde auch bei AS53-01 nicht auf die SPI-Anschlüsse
verzichtet.
AS53-01-RS801 AS53-03-RS80
In einer ersten Anwendung sollte das frequenz-gemultiplexte Ausgangssignal einer wiederverwendeten RS80-Sensoreneinheit mit den Systemen AS53-01 und bzw. oder AS53-03 für die Software der Wetterstation von
DL0PVD aufbereitet werden. Immerhin sind damit die Standardsensoren für Temperatur, Druck und relative Feuchte auf einen Schlag abgedeckt.
Die Abbildung links zeigt die erforderliche Zusatzschaltung für den Anschluss einer RS80-Sensoreneinheit. Sie entspricht im Wesentlichen der Schaltung aus dem Praxisheft 6, wo auch einiges zum Ausgangssignal der „Aludose" zu
lesen ist.
Abb.7: Zusatzschaltung für den Anschluss einer RS80-Sensoreneinheit Abb.8 zeigt den Anschluss eines LC-Displays. Man beachte die
abweichende Anschlussbelegung beiden Wetterstationsplatinen AS53-01 und -03.
Man beachte, dass derAusgang des Spannungskomparators bei AS53-01 an Pin 11. bei AS53-03 aber an Pin 20 der CPU angeschlossen wird. In beiden Fällen
handelt es sich um den Port-Anschluss PD6.
Egal, ob auf einem AS53-01- oder AS53-03-System - die Software in den jeweiligen CPU-Typen bereitet die Signale aus der RS80-Sensoreneinheit in ein serielles,
NMEA-ähnliches Format auf und gibt es mit 9600 Baud als Rohdaten (!) aus:
Diese Datenzeilen werden von der Software des WX-Stationsprojektes um die Schulstation DL0PVD verarbeitet. Insbesondere ist damit die Speicherung,
SensorZuordnung und Sensor-Kalibrierung möglich. Weitere Hinweise zu diesen Details finden sich auf der aktuellen AATiS-CDROM bzw. an anderer Stelle in diesem
Praxisheft.
Die CPU-Software AS53-01-RS80 bzw. AS53-03-RS80 verfügt noch über zwei Ereignis-Zähler. An Port-Anschluss PD2 (Pin 6 bei AS53-01. Pin 16 bei AS53-03)
werden die fallenden Flanken eines digitalen TTL-Signals im Verlaufe einer Sekunde gezählt. Hier ist z.B. auf einer Abbildung zu AS53-03 der Lichtsensor TSL230 zu
erkennen, welcher da angeschlossen wurde. Zu beachten ist, dass die maximale Frequenz ca. 20 kHz nicht überschreiten sollte. Die gezählten Impulse werden
ebenfalls seriell ausgegeben:
$WXDAT„ 88„563, 1/s, _' _- _ _ ---ise pro Sekunde
An Port-Anschluss PD3 (Pin 7 bei AS53-01, Pin 17 bei AS53-03) werden die fallenden Flanken im Verlaufe einer Minute gezählt. Die maximale Frequenz des Signals
sollte 1000 Hz nicht überschreiten. In Frage kommt z.B. (aber nur als Anregung!) ein Geiger-Müller-Zählrohr. Das serielle Ausgabeformat für diesen Zähler sieht
folgendermassen aus:
$WXDAT„ 89„ 0, 1/min, 60*1D Impulse pro Minute
Abbildung 8 zeigt die Schaltung für den Anschluss eines LC-Displays, falls die RS80-Rohdaten zur Vermessung portabel erfasst werden
sollen, also zunächst manuell tabellarisch festzuhalten sind. Man beachte die abweichende Belegung der Anschlüsse bei AS53-01 und AS53-03.
Wie in der Beschreibung zu AS53-03 erwähnt, verfügt die CPU AT90S8535 über einen 10-Bit-Analog-Digital-Wandler mit acht Kanälen (Pin 40 bis 33, =
PA0 bis PA7). An den vorgesehenen Eingängen der CPU dürfen Spannungen zwischen 0 und 5 Volt angelegt werden. Hier sollte Vorsicht walten, da die Eingänge nicht
geschützt sind. Das serielle Ausgabeformat für die analogen Signale sieht so aus:
Auf der Abbildung zu AS53-03 ist z.B. ein Drucksensor von Motorola zu erkennen, welcher an zwei der Analog-Kanäle parallel angeschlossen wurde (zum Aufzeigen
von A/D-Bit-Fehlern).
Bis zum Erscheinen dieses Praxisheftes dürfte AS53-03-RS80 um weitere Schnittstellen für den Anschluss der I IC-Bausteine DS1621 und LM75-5 (beides
Temperaturfühler) und PCF8591 (4-fach-8-Bit-A/D-Wandler) ergänzt worden sein. Hinweise dazu sind dann in der jeweils aktuellen AAMS-CD-ROM und im nächsten
Praxisheft (siehe die jeweils im Dezember und Juni aktuelle Medienliste sowie die Ankündigungen in den Fachzeitschriften) zu finden.
Die Rohdaten der Sensoren werden etwa alle fünf Sekunden ausgegeben.

Die Software unterliegt einer Pflege. Die hier beschriebenen Eigenschaften können also zum Zeitpunkt des Erscheinens des Praxisheftes ergänzt und / oder verändert
sein. In jedem Falle ist aber die zugehörige PC-Software darauf abgestimmt.
Beim AAMS-Medienservice ist nur der komplette Bausatz mit programmiertem Prozessor
incl. Platine erhältlich. Die Platinen oder Chips können durch den AAMS
nicht einzeln bezogen werden. Die Lieferung umfasst jedoch weder Beschreibung (diese finden Sie in diesem Praxisheft, Aktualisierungen auf der
AATiS-CD), noch
Software (diese befindet sich ebenfalls auf der AAMS-CD). Bitte beachten Sie die Hinweise in der jeweils aktuellsten Ausgabe der Medienliste.
Und noch ein wichtiger Hinweis: Bitte beachten Sie, dass es sich hierbei um kein kommerzielles, sondern ein professionelles Amateurfunkprojekt handelt. Mit ihm soll der Selbstbau von Schaltungen und Geräten gefördert werden. Der AAMS e.V. ist kein Dienstleistungsunternehmen;
er wird ausschließlich durch ehrenamtliche Kräfte betreut! Ansonsten beachten Sie bitte die Angebote der Firmen, die kommerzielle Wetterstationen anbieten.

Abb. 9 (oben) und 10 (unten): Mit der aufgesteckten Sensoreneinheit aus der VAISALA-Wettersonde RS80 wird aus AS53-01 undAS53-03 eine preisgünstige, experimentelle Wetterstation. Die
unten abgebildete Lösung verfügt über einen Sensor für Luftdruck und Beleuchtungsstärke auf
der Basisplatine sowie Luftdruck, relative Feuchte und Temperaturen derRS80-Sensoreneinheit.

| 2. AATIS-Wetterstation - Software |
|
|
|
Vor ungefähr zwei Jahren entstand die Idee, an möglichst vielen Schulen Wetterstationen zu errichten und diese dann zu vernetzen, so dass deutschlandweit
Daten ausgetauscht werden können: Das WxNET war geboren.
Bei einem Planungstreffen in Harsum im Herbst 1997 wurden erste Probleme erörtert und auch Lösungen aufgezeigt: Für den Austausch der Wetterdaten hat man
sich für eine Abwandlunq des bei kommerziellen Wetterdiensten üblichen SYNOP-Formats, das ASYNOP-Format, entschieden. Damit war der
Grundstein für das NET gelegt. Doch was ist mit dem Wx-?
Um das Hauptziel dieses Projektes zu verwirklichen, wird ein möglichst dichtes Netz von Wetterstationen benötigt. Bekannte Produkte kommerzieller Art liefern
zwar meistens brauchbare Ergebnisse, müssen aber für die Benutzung im WxNET angepasst werden, was noch am einfachsten mit einer Software auf dem PC
zu erledigen ist. Wir haben uns in dieser Frage für den Selbstbau einer Wetterstation entschieden.
Diese sollte möglichst preiswert werden und aufgrund der noch ziemlich unklaren Anforderungen auch in späteren Projekten modular und somit leicht erweiterbar
sein.
Das Wetterstationskonzept von DL0PVD basiert auf den Platinen der AS53-Reihe, die ebenfalls in diesem Heft vorgestellt werden. Die kleinste von ihnen ist mit einem
Mikroprozessor bestückt, der je nach Programm verschiedene Aufgaben erledigen kann. Zusätzlich befinden sich auf der Platine noch ein Schnittstellen-Baustein
für die Kommunikation und ein kleines Lochrasterfeld für die individuelle Bestückung. Die größeren Platinen besitzen dann auch einen größeren und leistungsfähigeren Mikroprozessor und ein größeres Lochrasterfeld (siehe Hardwareteil dieses Beitrags).
Die Software in der CPU ist speziell für dieses Projekt entwickelt worden. Die aktuelle Version kann Messwerte von verschiedenen Sensoren einlesen und über die
serielle Schnittstelle ausgeben. Sensoren können z.B. die einer RS80-Sonde sein oder auch beliebige andere Sensoren, die dann an einen der 8bit A/D-Wandler
angeschlossen werden. Die RS80-Sonde ist eine Sensoreinheit in einer kleinen Alu-Dose, wie sie auch schon erfolgreich im Ballonprojekt eingesetzt wurde. Sie misst
Temperatur, Luftdruck und relative Luftfeuchtigkeit. Die A/D-Wandler haben eine Auflösung von 1024 Schritten und messen Spannungen zwischen 0 und 5 Volt.
Achtung: Diesen Bereich auf keinen Fall überschreiten, denn dies kann die CPU zerstören!
Je nach Konfiguration ist die Platine außer mit ihren Grundelementen noch mit verschiedenen Zusatzschaltungen zu bestücken. Hierfür sind aber oftmals nicht mehr
als ein oder zwei Bauteile einzusetzen und zu „verdrahten". Wer Bestückungspläne für verschiedene Anwendungen braucht, kann diese entweder in der
Dokumentation finden oder auch bei uns anfordern.
Datenformat
Ist die Platine fertig aufgebaut, kann sie zum Funktionstest an einen PC angeschlossen werden. Die Daten werden mit einer Datenrate von 9600 Baud, 8 Datenbits, 1
Stoppbit und keiner Parität übertragen (Einstellungen für die serielle Schnittstelle am PC). Es müssten dann verschiedene Zeilen auf dem Bildschirm erscheinen, die so
oder so ähnlich aussehen:
$WXDAT„ 80, RS80-
X, 5E740AB0108E74D509D70A1C„ *2D
$WXDAT„ 82, RS80-S, 2736„ *23
$WXDAT„ 83, RS80-P, 4238„ *2C
$WXDAT„ 85, RS80-T, 2519„ *2C
$WXDAT„ 86, RS80-U, 2588„ *26
Aufgrund der Anfragen beim 14. Bundeskongress des AATiS e.V. in Goslar möchte ich das Format hier noch
Abb. 12: DerKalibrierungsassistent-dieses Programm reduziert die anfallenden Arbeitsschritte von neuen
Sensoren erheblich! einmal kurz erläutern. Wer keine eigene Software am PC programmieren und nur schnell zu einem Ergebnis kommen will, kann im Abschnitt Software weiterlesen.
Die Datenzeilen entsprechen der sogenannten NMEA-Norm, die meistens für Navigations- und Positionsmeldungen in der Seefahrt gebraucht wird. Sie
beginnen mit einem einführenden $ (ASCII: 36) und enden mit einem * (ASCII: 42) und einer zweistelligen, hexadezimalen Prüfsumme. Die gesamte Zeile darf nicht länger als 80 Zeichen sein und ist in verschiedene Felder unterteilt, die mit Kommata voneinander getrennt sind.
Das erste Feld ist der sog. Talker und besteht aus den fünf Zeichen „WXDAT° für Wetterdaten. Unser Protokoll sieht außerdem noch andere Talker für verschiedene
Zwecke vor. Das zweite Feld bleibt momentan immer frei und ist für eine Stationskennung, z.B. das Rufzeichen in einer Mehrstationskonfiguration vorgesehen.
Im dritten Feld beginnen nun die eigentlichen Informationen: Die Kanalnummer zwischen 1 und 255 gibt an, um welchen Sensor es sich handelt. Für die
RS80-Sonde werden Nummern im 80-er Bereich verwendet. Es stehen
83 für Druck,
85 für Temperatur und
86 für die relative Feuchtigkeit.
Im vierten Feld wird die Kanalnummer meistens noch einmal kurz „erklärt", z.B. RS80-T für RS80-Temperatur.
Das fünfte Feld enthält die gemessenen Daten als Zahlenwert oder je nach Sensor auch als Zeichenkette. Danach folgt optional noch die Einheit, wenn diese bekannt
ist. Die meisten Sensoren geben ihre Werte aber als Rohdaten aus, d.h. die Zahlenwerte müssen erst noch in einer geeigneten Weise in „richtige" Werte mit einer
bestimmten Einheit umgerechnet werden (siehe Abschnitt Kalibrierung).
Das siebte und letzte Feld ist für eine Zeitspanne in Sekunden vorgesehen, innerhalb der die Werte gemessen wurden. Es wurde aufgenommen, um Messwerte
verschiedener Stationen miteinander vergleichen zu können. Am sinnvollsten erscheint dieses Feld noch bei der Angabe einer Niederschlagsmenge in mm Niederschlag.
Es wird aber bisher von keiner unserer Software ausgewertet.
Schließlich muss ich noch kurz die Berechnung der Prüfsumme erklären, die sicherstellt, dass keine Daten durch Übertragungsfehler verloren gegangen oder verfälscht
wurden: Der hexadezimale Wert hinter dem Sternchen ist die Zahl, die man erhält, wenn man alle Zeichen zwischen dem Dollar und dem Stern, einschließlich der
Kommata, miteinander exklusiv oderiert. Dies hört sich kompliziert an, ist es aber nicht (genaueres dazu finden Sie auf der AAMS-CD).
Software
Der nächste Schritt sollte sein, eine Möglichkeit zu finden, die Daten zunächst am PC zu empfangen, auszuwerten und ins „Netz" weiterzugeben. Hier gibt es viele
Wege und Möglichkeiten.
Momentan existieren zu diesem Zweck zwei Programme, die aufeinander aufbauen und auch die Möglichkeit geben, selbst Erweiterungen einzubauen: Das erste ist
ein Datenbankprogramm. Es liest die Daten, die über die serielle Schnittstelle kommen, ein, überprüft die Prüfsumme und ordnet diese in eine Datenbank von
Wetterdaten ein. Diese Datenbank besteht aus einem Verzeichnis, in dem für jede Station ein Unterverzeichnis existiert und dort alle Daten abgelegt werden. Eine Datei steht
dabei für jeweils einen Tag.
Dieses Datenbankprogramm übernimmt also die komplette Kommunikation mit der Wetterstation und speichert die Daten ab, stellt aber noch keine Daten dar.
Hierfür gibt es ein zweites Programm, das die Dateien in der Datenbank liest und u.a. die aktuellen Werte auf dem Bildschirm darstellt. Die momentane Version kann
außerdem noch Wetterdaten an Excel übertragen, so dass man verschiedene Arten von Diagrammen erstellen kann.
Für zukünftige Versionen sind dann weitere Funktionen wie die graphische Darstellung mittels Rundanzeigen, Thermometern bis hin zu Wetterkarten usw. vorgesehen.
Diese beiden Programme sind bei der Installation zusammengefasst. Man findet also nur einen Menüpunkt für das Monitorprogramm.
Kalibrierung
Diesem Punkt haben wir uns bis jetzt am meisten zugewandt. Das Problem der Kalibrierung tritt immer wieder auf, wenn man mit verschiedenen Sensoren zu tun hat.
Die ausgegebene Spannung, Frequenz o.a. muss erst einmal in eine sinnvolle Größe wie Grad Celsius oder hPa umgerechnet werden. Dieses Problem stellt sich
besonders bei der Verwendung von RS80-Sonden, aber auch „fertig gekaufte" Sensoren müssen zunächst kalibriert werden.
Ziel der Kalibrierung ist es, eine Formel zu erhalten, mit der man die Rohdaten eines Sensors in die tatsächlichen Zahlenwerte umrechnen kann. Dazu wird neben
dem zu vermessenden Sensor ein möglichst genaues Referenzmessgerät gebraucht oder die Bedingungen, denen der Sensor ausgesetzt wird, müssen bekannt sein.
Jetzt gilt es möglichst viele Zahlenpaare zu ermitteln, die jeweils einem Rohdatenwert einen wahren Wert zuordnen. Aus diesen Zahlenpaaren lässt sich dann über
aas mathematische Mittel der Regressionsanalyse eine Ausgleichskurve berechnen, mit deren Hilfe das
Programm später alle vorkommenden Rohdatenwerte umrechnen kann (siehe Abbildung).
Zum Glück kann uns diese Arbeit Excel abnehmen. Gibt man dort die Zahlenpaare ein und erstellt dann ein Diagramm, kann man sich eine Ausgleichskurve (genannt
Trendlinie) mit einzeichnen und sich sogar die Formel anzeigen lassen. Hierfür finden Sie zusammen mit der anderen Software eine vorgefertigte Excel-Tabelle.
Zusätzlich besteht die Möglichkeit mit dem sog. Kalibrierungsassistenten zu arbeiten: Dieses Programm liest die aktuellen Rohdatenwerte von der Wetterstation ein,
fordert Sie zur Eingabe der tatsächlichen Werte auf, überträgt die daraus resultierende Tabelle an Excel und erstellt das Diagramm und die Ausgleichskurve. Alles was
dann noch zu tun ist, ist, die angezeigte Formel in die Datenbank einzugeben. Von nun an zeigt der Monitor die Werte in sinnvollen Größen an (z.B. in °C).
All diese Programme müssen nicht verwendet werden, erleichtern aber die mühsame Arbeit beim Kalibrieren erheblich und führen so schneller zu einem Ergebnis.
Abb. 14: Aufbau derAATiS-Wetterstation AS53-01 mit angestecktem RS80-Sensormodul und LC-Display - nicht nur während des Probebetriebes hilfreich.
Ausblick
Leider ist es mit dem derzeitigen Stand des Projektes nicht getan: Für die Benutzung im WxNET-Projekt wird bestehende Software erweitert werden oder
neue Software entstehen. Eines der Ziele ist es außerdem, den PC ganz überflüssig werden zu lassen und die Wetterstation dahingehend zu erweitern,
dass sie selbst ihre Daten z.B. in das Packet-Radio Netz einspielen kann.
Durch den modularen Aufbau kann man die dafür benötigte Hardware leicht als eine weitere Platine an die bestehende anschließen oder auch auf dem
Lochrasterfeld ergänzen.
Im momentanen Stadium darf das Projekt auf keinen Fall als Universallösung verstanden werden. Unser erstes Ziel war die Entwicklung eines Konzeptes, das
Schulen eine vor allem preiswerte Lösung für die Teilnahme am WxNET ermöglicht.
Der nächste Schritt ist die Vernetzung. Wir hoffen auf zahlreiche Rückmeldungen, auch kritischer Art, die uns helfen Fehler und Schwächen zu beseitigen.
Auch müssen Sie sehen, dass dieses Projekt hauptsächlich von Schülern durchgeführt wird und erst in den Kinderschuhen steckt. Amateurfunk ist
Experimentalfunk...
Abb. 15: Die AATiS-Wetterstation AS53-03 im Probebetrieb mit einem Geiger-Müller-Zählermodul.
Abb13: So werden die Bauteile auf dem Lochrasterfeld angeordnet, um eine RS80-Sonde an die Platine AS53-03 anzuschließen - Schaltung und Bauteile siehe Abb. 8..
Autor. Johannes Meyer, DL3PR, Danziger Str.7, 67112 Mutterstadt; Arbeitsgemeinschaft Amateurfunk des Paul-von-Denis-Gymnasiums Schifferstadt
DL0PVD.
Bitte bei Rückfragen mindestens doppeltes Rückporto für Briefmarken, Kopien, Disketten usw. beifügen! Der Herausgeber
|
zur Hauptseite |
© Samuel-von-Pufendorf-Gymnasium Flöha | © Frank Rost November 2002 |